Валер ты не увидел главного в вопросе там про платину. А у нас она держит жопу в одном положении вне зависимости от загрузки. Сам это наблюдаю съездишь куда-нить набьешь багажник, потом разгрузишь, и она приспускает машину.
Пневмоподвеска на Limited
-
sawared
- Сообщения: 291
- Зарегистрирован: 30 ноя 2016 03:52
- Мой город: Алматы
- Пол: Мужской
- Откуда: Казахстан, Алматы
- Благодарил (а): 38 раз
- Поблагодарили: 21 раз
Пневмоподвеска на Limited
"Тот, чье сердце не стремится ни к наукам, ни к битвам, ни к женщинам, напрасно родился на свет, похитив юность у матери"
"С" Не моё, но очень понравилось
"С" Не моё, но очень понравилось
-
wallboss
- Супер старожил форума
- Сообщения: 9072
- Зарегистрирован: 16 мар 2013 07:58
- Мой город: Новый Уренгой
- Пол: Мужской
- Благодарил (а): 513 раз
- Поблагодарили: 415 раз
Пневмоподвеска на Limited
Да это понятно и вообщем то не составляет труда для решения, датчик положения кузова под брюхо и вместо механического регулятора давления электроклапан срабатывающий от этого датчика который будет либо надувать баллоны, либо стравливать из них воздух при необходимости. Останавливает от установки этих компонентов их крайняя не надежность. Я умышленно сделал все максимально просто и соответственно надежно. Возможно если мне станет скучно я соберу параллельную схему - дублёр для автоматической регулировки горизонтали кузова. Не уверен, но все может быть. Пока покатаюсь так, дальше видно будет. Здесь в этой теме поле для деятельности очень обширно.Валер ты не увидел главного в вопросе там про платину. А у нас она держит жопу в одном положении вне зависимости от загрузки. Сам это наблюдаю съездишь куда-нить набьешь багажник, потом разгрузишь, и она приспускает машину.
Toyota Sequoia 5,7 Limited 2012 год
-
sawared
- Сообщения: 291
- Зарегистрирован: 30 ноя 2016 03:52
- Мой город: Алматы
- Пол: Мужской
- Откуда: Казахстан, Алматы
- Благодарил (а): 38 раз
- Поблагодарили: 21 раз
Пневмоподвеска на Limited
Ну тады у тебя будет круче чем платина. Хочешь ручной -механический - надёжный режим, а хочешь электроника.wallboss писал(а): ↑06 июн 2019 09:16Да это понятно и вообщем то не составляет труда для решения, датчик положения кузова под брюхо и вместо механического регулятора давления электроклапан срабатывающий от этого датчика который будет либо надувать баллоны, либо стравливать из них воздух при необходимости. Останавливает от установки этих компонентов их крайняя не надежность. Я умышленно сделал все максимально просто и соответственно надежно. Возможно если мне станет скучно я соберу параллельную схему - дублёр для автоматической регулировки горизонтали кузова. Не уверен, но все может быть. Пока покатаюсь так, дальше видно будет. Здесь в этой теме поле для деятельности очень обширно.
"Тот, чье сердце не стремится ни к наукам, ни к битвам, ни к женщинам, напрасно родился на свет, похитив юность у матери"
"С" Не моё, но очень понравилось
"С" Не моё, но очень понравилось
- Yetti
- Супер старожил форума
- Сообщения: 7782
- Зарегистрирован: 02 мар 2010 00:00
- Мой город: Пенза
- Пол: Мужской
- Откуда: Пенза, Россия
- Благодарил (а): 63 раза
- Поблагодарили: 249 раз
Пневмоподвеска на Limited
Считается что опускание кузова облегчает погрузку. Возможно, поднятие помогает на пирс что то выгрузить, не знаю. У меня, как было замечено выше, два применения - если сел в снег - сначала примять, а потом поднять. А просто поднятие использую, когда заезжаю на крутой подъем или проезжаю лощину - вероятность зацепить грут задним бампером уменьшается (т.е. увеличиваю угол съезда)..
-
wallboss
- Супер старожил форума
- Сообщения: 9072
- Зарегистрирован: 16 мар 2013 07:58
- Мой город: Новый Уренгой
- Пол: Мужской
- Благодарил (а): 513 раз
- Поблагодарили: 415 раз
Пневмоподвеска на Limited
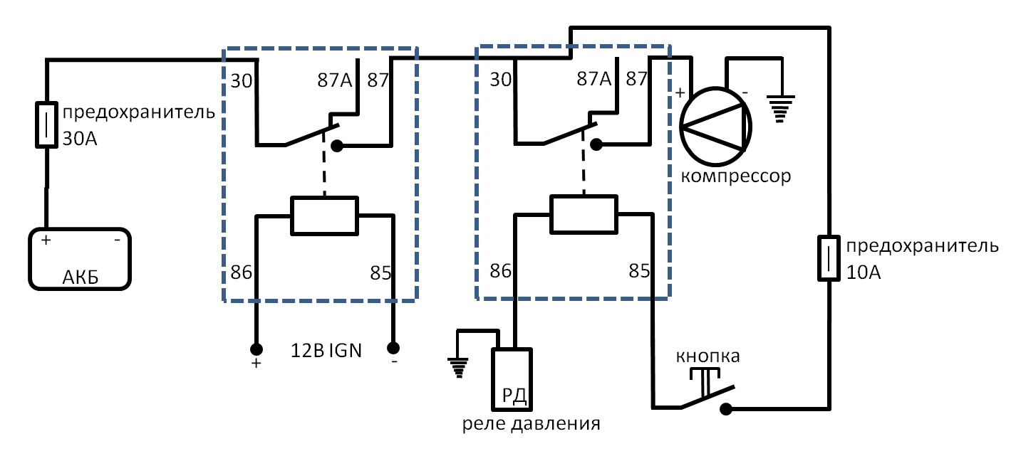
Продолжение по схемам.
У меня оставался должок по эл.схеме пневмо системы.
Нарисовал выкладываю.
Вначале ликбез по контактам пятиконтактного реле.
Это сама схема питание пневмосистемы
12В IGN это напряжение появляющееся при включении зажигания. Я взял его от задней розетки в багажнике.
Дальше будет отчёт по работе в отпуске.
У меня оставался должок по эл.схеме пневмо системы.
Нарисовал выкладываю.
Вначале ликбез по контактам пятиконтактного реле.
Это сама схема питание пневмосистемы
12В IGN это напряжение появляющееся при включении зажигания. Я взял его от задней розетки в багажнике.
Дальше будет отчёт по работе в отпуске.
Toyota Sequoia 5,7 Limited 2012 год
-
wallboss
- Супер старожил форума
- Сообщения: 9072
- Зарегистрирован: 16 мар 2013 07:58
- Мой город: Новый Уренгой
- Пол: Мужской
- Благодарил (а): 513 раз
- Поблагодарили: 415 раз
Пневмоподвеска на Limited
В продолжение.
Если у кого возникнет вопрос, а на хрена там кнопка ????
Отвечу так. Всегда должен быть вариант разорвать цепь автоматической системы.
На всякий аварийный случай
Отправлено спустя 3 минуты 45 секунд:
Если по схеме исполненной мною у кого то будут вопросы. Прошу покорнейше задавать их в теме. Если вопросы будут глупые и вы стесняетесь, прошу задавать их в личку.
P.s. Электрическая как и пневматическая схема разработаны лично мною и не претендуют на неоспоримость. Возможно кто то предложит лучший вариант.
Дерзайте.
Отправлено спустя 1 час 10 минут 44 секунды:
В данной схеме можно и даже лучше(оно один в один вписывается в схему) использовать вот это реле давления
http://m.4x4sport.ru/catalogue.html?id=8371 Я использовал то реле которое я указал на картинке выше только по тому что оно у меня уже было. При чем я не использовал его все возможности(его можно было использовать вместо правого реле на схеме в целом) так как схема была уже собрана и я ее не хотел менять принципе.
Если у кого возникнет вопрос, а на хрена там кнопка ????
Отвечу так. Всегда должен быть вариант разорвать цепь автоматической системы.
На всякий аварийный случай
Отправлено спустя 3 минуты 45 секунд:
Если по схеме исполненной мною у кого то будут вопросы. Прошу покорнейше задавать их в теме. Если вопросы будут глупые и вы стесняетесь, прошу задавать их в личку.
P.s. Электрическая как и пневматическая схема разработаны лично мною и не претендуют на неоспоримость. Возможно кто то предложит лучший вариант.
Дерзайте.
Отправлено спустя 1 час 10 минут 44 секунды:
В данной схеме можно и даже лучше(оно один в один вписывается в схему) использовать вот это реле давления
http://m.4x4sport.ru/catalogue.html?id=8371 Я использовал то реле которое я указал на картинке выше только по тому что оно у меня уже было. При чем я не использовал его все возможности(его можно было использовать вместо правого реле на схеме в целом) так как схема была уже собрана и я ее не хотел менять принципе.
Toyota Sequoia 5,7 Limited 2012 год
-
wallboss
- Супер старожил форума
- Сообщения: 9072
- Зарегистрирован: 16 мар 2013 07:58
- Мой город: Новый Уренгой
- Пол: Мужской
- Благодарил (а): 513 раз
- Поблагодарили: 415 раз
Пневмоподвеска на Limited
Маленькое дополнение. Схему не захотел менять в принципе и не использовал все возможности пятиконтактного реле давления(использовал только два контакта) потому что ранее было использовано двухконтактное реле давления с регулировкой по давлению срабатывания и вся схема была исполнена под него. Кто внимательно следил за темой помнит видео где я говорил что данное реле меня не удовлетворило, так как не имеет разноса по уставкам и по этому при даже небольшом изменении давления в ресивере на 0,2 кгс/см2 приводило к включению компрессора. Это несколько нервировало. Сейчас стоит реле давления с уставками 7,3кгс/см2 на включение и 9,8кгс/см2 на выключение. Неделю уже компрессор не включался ни разу.
Toyota Sequoia 5,7 Limited 2012 год
- Yetti
- Супер старожил форума
- Сообщения: 7782
- Зарегистрирован: 02 мар 2010 00:00
- Мой город: Пенза
- Пол: Мужской
- Откуда: Пенза, Россия
- Благодарил (а): 63 раза
- Поблагодарили: 249 раз
Пневмоподвеска на Limited
Серьезный научный труд, Валер!
Маленькое дополнение про реле. У кого есть дилеры Starline, берите такие реле у них (идут в сигналки, слово Starline на корпусе написано). Самые слабые можно - 30/40 ампер. По цене в районе 70 руб. Работают дольше безымянных.
Маленькое дополнение про реле. У кого есть дилеры Starline, берите такие реле у них (идут в сигналки, слово Starline на корпусе написано). Самые слабые можно - 30/40 ампер. По цене в районе 70 руб. Работают дольше безымянных.
-
wallboss
- Супер старожил форума
- Сообщения: 9072
- Зарегистрирован: 16 мар 2013 07:58
- Мой город: Новый Уренгой
- Пол: Мужской
- Благодарил (а): 513 раз
- Поблагодарили: 415 раз
Пневмоподвеска на Limited
Все больше убеждаюсь в правильности своей конструкции.
Сейчас разгрузился и снизил давление в пневмобаллонах до 0,7кгс/см2. Поездил немного по крымским дорогам и понял что что то не так, поднял давление до 1,5кгс/см2 и получил комфортный режим передвижения. Коротче играюсь со своей подвеской как мне угодно.
Пока я доволен. И как писал Сергей (Глобус) одни положительные эмоции.
Вообщем пружина с пневмобаллоном рулит
Сейчас разгрузился и снизил давление в пневмобаллонах до 0,7кгс/см2. Поездил немного по крымским дорогам и понял что что то не так, поднял давление до 1,5кгс/см2 и получил комфортный режим передвижения. Коротче играюсь со своей подвеской как мне угодно.
Пока я доволен. И как писал Сергей (Глобус) одни положительные эмоции.
Вообщем пружина с пневмобаллоном рулит
Toyota Sequoia 5,7 Limited 2012 год
-
wallboss
- Супер старожил форума
- Сообщения: 9072
- Зарегистрирован: 16 мар 2013 07:58
- Мой город: Новый Уренгой
- Пол: Мужской
- Благодарил (а): 513 раз
- Поблагодарили: 415 раз
Пневмоподвеска на Limited
На сегодняшний день по пневмобаллонам в пружинах одни положительные эмоции.
Совершенно ответственно ставлю конструкции 5+.
Совершенно ответственно ставлю конструкции 5+.
Toyota Sequoia 5,7 Limited 2012 год


