Проблема с катализаторами
Проблема с катализаторами
Ребят помогите. Загорелся "чек", проверили на ошибки выладо "слабая работа катализаторов"((( тут как понимаю три варианта решения. 1. Поменять катализаторы 2. Поставить обманки 3. Не обращать внимания и все. Но не обращать внимание не получается. Машина через раз очень плохо заводиться. Стартер крутит но не заводиться, как будто аккумулятор сел. Со второго раза всегда заводиться. Что посоветуете поставить обманки или раскошелиться и поменять катализаторы, прост их вроде как в 4 и их замена вылетит в копеечку((( в любом случае подскажите сколько будут стоить обманки и сколько замена и что лучше. Заранее спасибо.
Re: Проблема с катализаторами
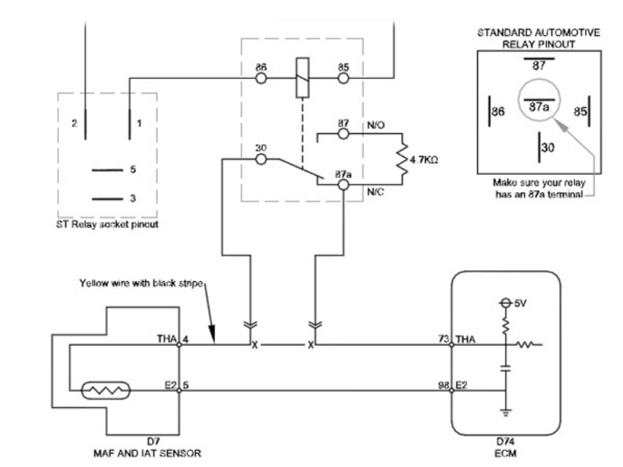
ИМХО вырезать их на фиг и поставить обманку .Штраф за "экологию" нам не грозит. Вот тут тундроводы эту тему грамотно разобрали " http://www.pickupclub.ru/forum/showthre ... тализатора ". А на последней странице дана схема,согласно которой "Ставится дополнительне реле, которое на время работы реле стартёра (фиолетовое) включает в разрыв чётно-жёлтого провода дополнительный резистор 4,7кОм. ВСЁ!". " http://www.pickupclub.ru/forum/showthre ... ора/page27 ".
Бензин 92+ ГБО 4-го поколения BRC(Италия), platinum 2008 , темно-серый металлик , 78.000 миль
Re: Проблема с катализаторами
Да тундроводы вообще пишут,что копейки стоит эта релюшка,если самому делать.Также можно из штатов заказать саму обманку,где-то тут на форуме эта тема была вроде бы.
Бензин 92+ ГБО 4-го поколения BRC(Италия), platinum 2008 , темно-серый металлик , 78.000 миль
Re: Проблема с катализаторами
А можеть здесь выложить фотку схемы с релюшкой? А то я не могу ее посмотреть на тундровском форуме даже несмотря на то что зарегистрировался там(((((
Re: Проблема с катализаторами
"...О спасибо ! Только если возможно разжуй как для особо понятливых черно желты провод который идет на что ?..."_______________________________________"...Сразу после воздушного фильтра разъёмчик, где 5 проводков в ряд. Желто-чёрный второй если спереди смотреть и четвёртый если сзади )) Подключаться лучше посередине жгута, а не около разъёма. Провода я сделал коричневые, чтоб не видно было. Релюшку и скрутки пропаял для надёжности. Провода провёл по задней стенке, а в блок предохранителей завёл , просверлив дырку сзади в нижней части коробки с предохранителями..."
Бензин 92+ ГБО 4-го поколения BRC(Италия), platinum 2008 , темно-серый металлик , 78.000 миль
Re: Проблема с катализаторами
Спасибо большое. А может ли из за этой проблемы машина плохо заводиться?

